A couple of noteworthy features on the Husqvarna 550xp are the replaceable sprocket nose, auto-tune, bar nuts that don't fall off, air injection, and and advanced air cleaning system.
The ignition module on the 550 XP works in conjunction with the auto-tune module on the carburetor that adjusts itself automatically all the time. The auto tune will constantly accommodate different conditions that affect carburetors. The flywheel has two extra magnets to run the carb's module. With this saw, there's no need to spend time on carburetor adjustments. It compensates for different fuels, altitude, humidity, temperature and clogged air filter. Husq AutoTune gives optimal engine performance throughout automatic engine setting.
When you remove the bar nuts, they stay captured to the side cover and won't fall off. You'll find a side adjustment near those nuts. Also noteworthy on the subject of bar replacement is the replaceable sprocketnose.
The air injector gets clean air from the flywheel where it gets rammed up into the air box. Oh, there is also a quick-release access to its air cleaner where the air injector is also found. Just pop open four clips that hold the cover on.
This saw also has a centrifugal air cleaning system that removes larger dust and debris before it gets to the air filter so that you won't have to clean the air filter as often. This will give your saw improved engine life.
Husqvarna 550 XP Specs and Features
The following are the specs and features of this pro saw according to the manufacturer's Web site.“Husqvarna 550 XP® is developed for tree care professionals and skilled land owners. The saw has a ground breaking design and is loaded with innovative solutions for efficient, convenient operation. Our unique X-Torq® engine technology provide more power where you need it, up to 20% less fuel consumption and 75% less exhaust emission.”
Cylinder displacement is 50.1 cubic cm
Power output is 3.75 hp
Recommended bar length is a maximum of 20 inches.
The Husqvarna 550 xp has a flip-up gas tank cap, which is easy to open and close when refueling.
The Husqvarna 550 XP boasts lower fuel consumption and reduced exhaust emission levels in accordance with the world´s most stringent environmental regulations, thanks to Husq X-Torq® technology.
Weight (excl. cutting equipment) 10.8 lbs
Cylinder displacement 50.1 cm³
Cylinder displacement 3.06 cu.inch
Power output 3.75 hp
Maximum power speed 10200 rpm
Fuel tank volume 1.1 US pint
Idling speed 2800 rpm
Spark plug NGK CMR6H
Electrode gap 0.02 in
Torque, max. 2.8 Nm
Fuel consumption 446 g/kWh
Recommended bar length, max 20 in
Recommended bar length, min 13 in
Chain pitch .325"
Chain gauge 0.05 in
Chain speed at 133% of maximum engine power speed 85.63 fts
Oil tank volume 0.57 US pint
Oil pump type Automatic
Oil pump capacity Max 12 ml/min
Oil pump capacity Min 5 ml/min
Sound power level, guaranteed (LWA) 116 dB(A)
Sound power level, measured 114 dB(A)
Sound pressure level at operators ear 106 dB(A)
Equivalent vibration level (ahv, eq) front handle 3.8 m/s²
Equivalent vibration level (ahv, eq) rear handle 3.7 m/s²
LowVib®
System designed to reduce vibration levels to the operator, which lessens fatigue.
Quick-release air filter
Facilitates cleaning and replacement of the air filter.
Snap-lock cylinder cover
Saves time when changing spark plugs and cleaning.
Inertia activated chain brake
Reduces the likelihood of injury due to kickback.
Felling marks
Distinct, colored marks used for aiming the direction of timber fall.
Retained bar nuts
The retaining function prevents loosing the bar nuts.
Adjustable oil pump
Allows you to control oil flow depending on application and weather conditions.
Combined choke/stop control
Allows for easier starting and reduces the risk of engine flooding.
Quick release air filter cover
Quick release cover saves time when cleaning or changing spark plug or filter.
Smart Start®
The engine and starter have been designed so the machine starts quickly with minimum effort.
Visible fuel level
Transparent fuel indicator makes it easy to check fuel level.
Magnesium crankcase
Sturdily built crankcase withstands high rpms and tough professional use, ensuring a long service life.
Side-mounted chain tensioner
Easier access to chain tensioning device.
Three-piece crankshaft
Forged three-piece crankshaft for maximum durability for the toughest applications.
Slimmed-down design
Low, slender saw body makes the chainsaw easy and convenient to handle in any situation.
Air Purge
Removes air from carburetor and fuel system for easy starting.
Husqvarna 550xp Parts List
If you run into problems with your saw, HLSupply carries parts for the Husqvarna 550xp.Husqvarna 550XP Carburetor Parts & Air Filter Parts List
| Ref | Part No. | Description | Remarks | Qty Kit |
|---|---|---|---|---|
| 1 | 522 67 54-04 | Air Filter Assy | NYLON 80 µm black | 1 |
| 1 | 522 67 54-05 | Air Filter Assy | NYLON 44 µm yellow | 1 |
| 1 | 522 67 54-06 | Air Filter Assy | FELT white | 1 |
| 2 | 574 19 89-03 | Filter Holder Assy | XP | 1 |
| 2 | 574 19 89-04 | Filter Holder Assy | XPG | 1 |
| 3 | 522 90 73-01 | Shackle | 1 2 | |
| 4 | 510 01 72-02 | Choke Control Assy | 1 | |
| 5 | 505 15 62-01 | Screw | 1 | |
| 6 | 525 58 81-01 | Sealing | 1 | |
| 7 | 503 93 66-01 | Primer Housing | 1 | |
| 8 | 503 20 25-50 | Screw IHSCM | 1 | |
| 9 | 587 64 54-04 | Ventilating Hose | From s/n 20153900097 | 1 9 |
| 9 | 589 35 71-01 | Ventilating Hose | Up to s/n 20153900096 | 1 |
| 10 | 587 08 48-06 | Carburetor Kit | AT-12 | 1 |
| 11 | 510 02 06-01 | Screw IHSCM | 4 | |
| 12 | 523 06 40-02 | Flange | 1 | |
| 13 | 503 22 65-03 | Square Nut | 2 12 | |
| 14 | 525 50 00-03 | Inlet Pipe Assy | 1 | |
| 15 | 522 95 10-01 | Intermediate Wall | 1 | |
| 16 | 525 61 92-01 | Sealing | 1 | |
| 17 | 525 61 90-01 | Sealing | 1 | |
| 18 | 523 05 68-01 | Fuel Hose | 1 | |
| 19 | Firmware Autotune | Download | 1 | |
| 20 | 577 53 64-01 | Wiring Assy | 1 | |
| 21 | 585 19 50-01 | Support Sleeve | 1 10 |
Here's the exploded view of the Husqvarna 550 XP Carburetor Parts AT-12
| Ref | Part No. | Description | Remarks | Qty Kit |
|---|---|---|---|---|
| 1 | 587 08 48-06 | Carburetor Kit | AT-12 | 1 |
| 4 | 577 26 29-01 | Retainer | 1 1 | |
| 5 | 574 35 77-01 | Lever | 1 1 | |
| 6 | 576 61 85-01 | Lever | 1 1 | |
| 7 | 577 21 92-01 | Throttle Lever Assy | 1 1 | |
| 8 | 574 35 79-01 | Link | 1 1 | |
| 9 | 574 35 81-01 | Cover | 1 1 | |
| 10 | 575 79 48-01 | Inlet | 1 1 | |
| 11 | 575 79 47-01 | Cover | 1 1 | |
| 12 | 574 35 84-01 | Shaft Assy | 1 1 | |
| 13 | 574 35 82-01 | Shaft | 1 1 | |
| 14 | 574 35 85-01 | Valve | 1 1 | |
| 15 | 501 64 95-01 | Throttle Valve | 1 1 | |
| 16 | 503 56 34-01 | Inlet | 1 1 | |
| 21 | 504 79 08-01 | Plug | 1 1 | |
| 22 | 586 49 71-01 | Plug | 1 1 | |
| 25 | 504 13 09-06 | Gasket | 1 1 | |
| 19 | 576 61 88-01 | Nozzle Assy | 1 1 | |
| 20 | 582 36 64-01 | Diaphragm & Gasket Kit | 1 1 | |
| 27 | 574 35 87-01 | Gasket | 1 1 | |
| 28 | 577 01 66-01 | Diaphragm | 1 1 | |
| 30 | 501 46 87-01 | Screw | 1 1 | |
| 31 | 537 00 34-01 | Screw | 1 1 | |
| 32 | 537 00 31-01 | Screw | 4 1 | |
| 33 | 502 84 71-01 | Screw | 1 1 | |
| 34 | 544 11 15-01 | Screw | 2 1 | |
| 35 | 574 35 90-01 | Screw | 1 1 | |
| 37 | 576 61 89-01 | Screw | 4 1 | |
| 38 | 503 56 24-01 | Spring | 5 1 | |
| 39 | 574 35 93-01 | Spring | 1 1 | |
| 40 | 574 35 94-01 | Spring | 1 1 | |
| 41 | 582 36 62-01 | Repair Kit | 1 | |
| 45 | 579 32 31-01 | Throttle Valve Assy | 1 1 | |
| 46 | 501 66 61-01 | Screen | 1 1 | |
| 47 | 505 52 01-25 | Pin Metering Lever | 1 1 | |
| 48 | 574 35 96-01 | Bushing | 1 1 | |
| 49 | 501 64 96-01 | Lever | 1 1 | |
| 51 | 586 76 74-01 | Shaft Assy | 1 1 | |
| 52 | 574 35 76-01 | Spring | 1 1 | |
| 53 | 576 61 90-01 | Valve | 1 1 | |
| 54 | 505 31 67-36 | Ring | 1 1 | |
| 55 | 582 36 65-01 | Diaphragm & Gasket Kit | 1 | |
| 60 | Firmware Autotune | Download | 1 |
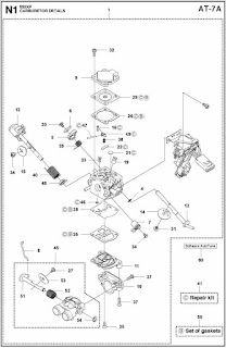
Here's the exploded view of the Husqvarna 550 XP Carburetor Parts AT-7A
| Ref | Part No. | Description | Remarks | Qty Kit |
|---|---|---|---|---|
| 4 | 577 26 29-01 | Retainer | 1 1 | |
| 5 | 574 35 77-01 | Lever | 1 1 | |
| 6 | 576 61 85-01 | Lever | 1 1 | |
| 7 | 577 21 92-01 | Throttle Lever Assy | 1 1 | |
| 8 | 574 35 79-01 | Link | 1 1 | |
| 9 | 574 35 81-01 | Cover | 1 1 | |
| 10 | 575 79 48-01 | Inlet | 1 1 | |
| 11 | 575 79 47-01 | Cover | 1 1 | |
| 12 | 574 35 84-01 | Shaft Assy | 1 1 | |
| 13 | 574 35 82-01 | Shaft | 1 1 | |
| 14 | 574 35 85-01 | Valve | 1 1 | |
| 15 | 574 35 75-01 | Valve | 1 1 | |
| 16 | 503 56 34-01 | Inlet | 1 1 | |
| 21 | 504 79 08-01 | Plug | 1 1 | |
| 22 | 502 84 69-01 | Plug | 1 1 | |
| 25 | 504 13 09-06 | Gasket | 1 1 | |
| 19 | 576 61 88-01 | Nozzle Assy | 1 1 | |
| 26 | 574 35 86-01 | Gasket | 1 1 | |
| 27 | 574 35 87-01 | Gasket | 1 1 | |
| 28 | 577 01 66-01 | Diaphragm | 1 1 | |
| 29 | 574 35 88-01 | Diaphragm Assy | 1 1 | |
| 30 | 501 46 87-01 | Screw | 1 1 | |
| 31 | 537 00 34-01 | Screw | 1 1 | |
| 32 | 537 00 31-01 | Screw | 4 1 | |
| 33 | 502 84 71-01 | Screw | 1 1 | |
| 34 | 544 11 15-01 | Screw | 2 1 | |
| 35 | 574 35 90-01 | Screw | 1 1 | |
| 37 | 576 61 89-01 | Screw | 4 1 | |
| 38 | 503 56 24-01 | Spring | 5 1 | |
| 39 | 574 35 93-01 | Spring | 1 1 | |
| 40 | 574 35 94-01 | Spring | 1 1 | |
| 41 | 577 66 61-01 | Repair Kit | 1 | |
| 45 | 579 32 31-01 | Throttle Valve Assy | 1 1 | |
| 46 | 501 66 61-01 | Screen | 1 1 | |
| 47 | 505 52 01-25 | Pin Metering Lever | 1 1 | |
| 48 | 574 35 96-01 | Bushing | 1 1 | |
| 49 | 502 84 74-01 | Lever | 1 1 | |
| 51 | 574 35 74-01 | Shaft Assy | 1 1 | |
| 52 | 574 35 76-01 | Spring | 1 1 | |
| 53 | 576 61 90-01 | Valve | 1 1 | |
| 54 | 505 31 67-36 | Ring | 1 1 | |
| 55 | 576 66 65-01 | Gasket Kit | 1 | |
| 60 | Firmware Autotune | Download | 1 |
Chain Brake Parts for Husqvarna 550 XP & Clutch Cover
| Ref | Part No. | Description | Remarks | Qty Kit |
|---|---|---|---|---|
| 1 | 522 67 75-01 | Hand Guard | 1 | |
| 2 | 537 20 90-01 | Screw | 2 | |
| 3 | 577 78 02-01 | Bushing | 2 | |
| 4 | 505 19 73-01 | Nut | 2 | |
| 5 | 505 19 90-05 | Clutch Cover Assy | 1 | |
| 6 | 503 75 18-01 | Pim Knee Joint | 1 5 | |
| 7 | 503 21 70-10 | Screw CCRPant | 5 & 5 | |
| 8 | 505 19 93-01 | Knee Joint Assy | 1 5 | |
| 9 | 503 90 83-01 | Brake Spring | 1 5 | |
| 10 | 505 19 95-02 | Brake Band Assy | 1 5 | |
| 11 | 505 20 16-01 | Guard | 1 5 | |
| 12 | 505 19 97-01 | Cover | 1 5 | |
| 14 | 523 05 80-01 | Label | 1 5 | |
| 15 | 575 26 04-03 | Chain Tensioner Kit | 1 5 | |
| 16 | 740 48 07-02 | O Ring | 1 15, 5 | |
| 17 | 503 23 00-63 | Washer | 1 15, 5 | |
| 20 | 537 01 74-01 | Bearing Sleeve | 1 15, 5 | |
| 22 | 505 19 98-01 | Chain Guide | 1 15, 5 |
Clutch & Oil Pump Parts for Husqvarna 550 XP
| Ref | Part No. | Description | Remarks | Qty Kit |
|---|---|---|---|---|
| 1 | 577 51 82-01 | Clutch Assy | 1 | |
| 2 | 537 35 91-01 | Clutch Spring | 2 1 | |
| 3 | 575 26 10-03 | Clutch Drum | .325 x7 | 1 |
| 4 | 501 45 74-02 | Rim | .325 x7 | 1 & 3 |
| 5 | 503 25 34-01 | Needle Bearing | 1 & 3 | |
| 6 | 505 20 08-01 | Worm Wheel | 1 | |
| 7 | 505 19 99-04 | Oil Pump Assy | 1 | |
| 8 | 505 20 02-01 | Pump Piston | 1 7 | |
| 9 | 505 20 03-01 | Casing | 1 7 | |
| 10 | 503 23 00-60 | Washer | 2 7 | |
| 11 | 503 89 16-01 | Spring | 1 7 | |
| 12 | 505 20 14-01 | Adjustment Screw | 1 7 | |
| 13 | 721 11 64-30 | Grooved Pin | 1 7 | |
| 14 | 510 02 06-01 | Screw IHSCM | 2 | |
| 15 | 505 20 04-01 | Oil Hose | 1 | |
| 16 | 504 71 00-03 | Oil Plummet | 1 | |
| 17 | 720 12 33-00 | Parallel Pin | 2 7 | |
| 18 | 503 89 15-01 | Spring | 1 7 | |
| 19 | 505 20 01-01 | Pump Cylinder | 1 7 | |
| 20 | 503 62 49-01 | Sealing Plug | 1 7 |
Crankcase Parts List for Husqvarna 550 XP
| Ref | Part No. | Description | Remarks | Qty Kit |
|---|---|---|---|---|
| 1 | 525 40 32-01 | Carburetor | 1 | |
| 2 | 503 20 02-16 | Screw IHSCFM | 4 | |
| 3 | 503 86 93-01 | Carburetor | 2 | |
| 4 | 581 55 92-01 | Bellows | 1 | |
| 5 | 577 83 47-10 | Crankcase Assy | 1 | |
| 6 | 522 74 28-01 | Chain Guide Plate | 1 | |
| 7 | 503 21 26-16 | Screw IHPanM | 2 | |
| 8 | 537 40 35-01 | Filter | 1 & 5 | |
| 9 | 530 02 61-19 | Check Valve | 1 & 5 | |
| 10 | 537 21 07-01 | Spring Guide | 1 | |
| 11 | 503 43 65-01 | Position Spring | 1 | |
| 12 | 505 20 12-01 | Catch | 1 | |
| 13 | 503 75 18-01 | Pin Knee Joint | 1 5 | |
| 14 | 501 27 08-01 | Guide Bushing | 2 5 | |
| 15 | 505 21 73-01 | Bar Bolt | 2 5 | |
| 16 | 505 11 15-01 | Screw IHSCM | 20& 5 | |
| 17 | 503 20 08-03 | Screw IHSCM | 5 | |
| 19 | 578 40 05-01 | Spike | 1 | |
| 20 | 537 37 79-02 | Chain Catcher | 1 | |
| 21 | 503 21 88-76 | Screw IHSCT | 1 | |
| 22 | 505 12 58-01 | Deflection Limiter | 1 | |
| 23 | 503 89 47-03 | Snap | 3 | |
| 24 | 525 41 74-01 | Air Nozzle | 1 | |
| 25 | 510 02 06-01 | Screw IHSCM | 1 | |
| 26 | 577 87 86-01 | Tank Cap Assy | 1 | |
| 17 | 505 41 10-01 | Sealing | 1 26 | |
| 28 | 503 57 89-01 | Holder | 1 26 | |
| 29 | 525 39 12-01 | Radial Seal | 1 5 | |
| 30 | 525 88 74-01 | Screw CITXPANT | 1 | |
| 31 | 577 76 66-03 | Gasket Kit | A = Set of Gaskets | 1 |
| 32 | 577 88 72-01 | Enclosed Kit | 1 | |
| 33 | 526 22 18-01 | Screw CITXPANT | 1 |
Husqvarna 550 XP Crankshaft Parts List
| Ref | Part No. | Description | Remarks | Qty Kit |
|---|---|---|---|---|
| 1 | 577 76 73-09 | Crankshaft Assy | 1 | |
| 2 | 505 13 35-03 | Ball bearing | 1 1 | |
| 3 | 525 43 42-03 | Ball bearing | 1 1 | |
| 4 | 503 25 63-02 | Needle Bearing | 1 1 | |
| 5 | 525 39 12-01 | Radial Seal | 1 | |
| 6 | 522 73 77-01 | Cup | 2 1 | |
| 7 | 503 26 09-01 | Sealing | 1 1, 3 |
Husqvarna 550 XP Cylinder Cover Parts List
| Ref | Part No. | Description | Remarks | Qty Kit |
|---|---|---|---|---|
| 1 | 587 24 86-03 | Cylinder Cover Assy | 1 | |
| 2 | 587 14 95-01 | Label | 1 1 |
Husqvarna 550 XP Cylinder Piston Parts List
| Ref | Part No. | Description | Remarks | Qty Kit |
|---|---|---|---|---|
| 1 | 574 51 96-01 | Spark Plug | 1 | |
| 2 | 725 53 39-55 | Screw IHSCM | 4 | |
| 3 | 575 27 69-01 | Decompression Valve | 1 | |
| 4 | 503 55 22-01 | Plug | 1 | |
| 5 | 576 71 76-02 | Sleeve | 4 | |
| 6 | 525 31 58-01 | gasket | 1 12 | |
| 7 | 577 76 47-05 | Cylinder Assy | 1 | |
| 8 | 577 04 70-06 | Piston Assy | 1 7 | |
| 9 | 577 95 83-01 | Piston Ring | 1 8, 7 | |
| 10 | 737 44 10-00 | Snap Ring | 2 & 8, 7 | |
| 11 | 503 25 63-01 | Needle Bearing | 1 7 | |
| 12 | 577 76 66-03 | Gasket Kit | A= Set of Gaskets | 1 |
| 13 | 520 29 11-01 | Bushing | 7 |
Husqvarna 550 XP Fuel Tank Parts List
| 1 | 503 21 28-13 | Screw CCRPANT | 1 | |
| 2 | 504 10 63-01 | Handle Insert | 1 | |
| 4 | 577 79 02-03 | Fuel Tank Assy | 1 | |
| 5 | 537 35 95-01 | Tank Vent Assy | 1 4 | |
| 6 | 544 09 98-01 | Throttle Lockout | 1 4 | |
| 7 | 544 09 99-01 | Spring | 1 4 | |
| 8 | 505 15 77-01 | Throttle | 1 4 | |
| 9 | 720 18 25-20 | Parallel Pin | 1 4 | |
| 10 | 579 48 24-01 | Throttle Cable Assy | 1 4 | |
| 11 | 503 21 88-74 | Screw IHSCT | 1 | |
| 12 | 573 99 35-03 | Fuel Hose | Up to AT-7A | 1 |
| 13 | 503 44 32-01 | Filter | 1 | |
| 15 | 578 22 74-01 | Antivibration Element | 1 | |
| 16 | 505 12 87-01 | Antivibration Element | 1 | |
| 17 | 523 08 55-01 | Deflection Limiter | 1 | |
| 18 | 501 00 76-01 | Lateral Support | 1 | |
| 19 | 522 62 00-03 | Tank Cap Assy | 1 | |
| 20 | 589 24 11-01 | Gasket | 1 19 | |
| 21 | 503 57 89-01 | Holder | 1 19 | |
| 22 | 503 21 88-76 | Screw IHSCT | 1 | |
| 23 | 577 84 43-01 | Decal | 1 4 | |
| 24 | 577 50 41-01 | Fuel Hose | Up to AT-12 | 1 |
Husqvarna550XP Handle Parts List
| 1 | 577 79 82-01 | Front Handle | 1 | |
| 2 | 503 21 88-76 | Screw IHSCT | 2 1 | |
| 3 | 503 21 88-72 | Screw IHSCT | 4 1 | |
| 4 | 522 95 15-01 | Antivibration Element | 1 1 |
Husqvarna 550XP Heated Handle Parts List
| 1 | 522 74 19-02 | Handle Insert | 1 | |
| 2 | 522 66 58-01 | Thermostat Assy | 1 | |
| 3 | 537 21 08-01 | Retainer | 1 | |
| 4 | 522 61 14-02 | Generator Stator | 1 | |
| 5 | 510 02 06-02 | SCREW IHSCM | 2 | |
| 6 | 522 63 01-01 | Foil Element | 1 | |
| 7 | 577 79 82-02 | Front Handle | 1 | |
| 8 | 503 21 88-76 | Screw IHSCT | 2 7 | |
| 9 | 523 34 85-03 | Cover | 1 7 | |
| 10 | 523 34 84-01 | Contact Plate | 1 7 | |
| 11 | 537 25 25-01 | Handle | 1 7 | |
| 12 | 503 21 28-13 | Screw CCRPANT | 1 7 | |
| 13 | 522 93 78-02 | Flywheel Assy | 1 | |
| 14 | 503 22 04-01 | Nut | 1 | |
| 15 | 503 23 00-42 | Washer | 2 13 | |
| 16 | 501 67 35-01 | Spring | 2 13 | |
| 17 | 501 67 32-01 | PAWL | 2 13 | |
| 18 | 501 81 99-01 | Screw | 2 13 | |
| 19 | 522 95 15-01 | Antivibration Element | 1 7 | |
| 20 | 503 21 88-72 | Screw IHSCT | 4 7 | |
| 21 | 537 08 83-01 | Grommet | 1 7 |
Husqvarna 550XP Ignition System Parts List
| 1 | 581 72 36-02 | Ignition Module Assy | 1 | |
| 2 | 501 48 54-04 | Spark Plug Gap Assy | 1 1 | |
| 3 | 503 20 02-20 | Screw IHSCFM | 2 | |
| 4 | 577 96 76-02 | Wiring Assy | 1 1 | |
| 5 | 529 29 26-01 | Cable Holder | 1 1 | |
| 6 | 503 22 04-01 | Nut | 1 | |
| 7 | 522 93 78-01 | Flywheel Assy | 1 | |
| 8 | 503 23 00-42 | Washer | 2 7 | |
| 9 | 501 67 35-01 | Spring | 2 7 | |
| 10 | 501 67 32-01 | PAWL | 2 7 | |
| 11 | 501 81 99-01 | Screw | 2 7 | |
| 12 | 504 04 35-05 | Cable Cover | 1 1 | |
| 13 | 503 23 85-01 | Spring Hose | 2 1 | |
| 14 | 525 88 74-01 | Screw CITXPANT | 1 |
Husqvarna 550XP Muffler Parts List
| 1 | 523 05 26-02 | Muffler Kit | 1 | |
| 2 | 724 12 87-59 | Screw CRPANM | 1 1 | |
| 3 | 576 89 02-01 | Spark Arrester | 1 1 | |
| 4 | 725 53 76-55 | Screw IHSCM | 2 1 | |
| 5 | 577 65 63-01 | Sleeve | 2 1 | |
| 6 | 523 05 24-01 | Gasket | 1 1, 9 | |
| 7 | 523 05 25-01 | Heat Deflector | 1 1 | |
| 8 | 503 20 73-20 | Screw IHSCM | 2 | |
| 9 | 577 76 66-03 | Gasket Kit | A=set of gaskets | 1 |
| 10 | 577 90 22-01 | washer | 1 |
Husqvarna 550XP Starter Parts List
| 1 | 522 79 62-01 | Air Conductor | 1 | |
| 2 | 522 74 25-04 | Starter Assy | 1 | |
| 3 | 537 23 25-01 | Starter Handle | 1 2 | |
| 4 | 505 30 51-25 | Starter Cord | 1 2 | |
| 5 | 575 85 76-01 | Clip | 1 2 | |
| 6 | 537 28 32-01 | Reinforcement Sleeve | 1 2, 11 | |
| 7 | 505 15 81-01 | Starter Pulley Assy | 1 2 | |
| 8 | 503 21 28-13 | Screw CCRPANT | 2 2 | |
| 9 | 505 15 79-01 | Spring Cassette Assy | 1 2 | |
| 10 | 544 08 03-01 | Screw | 4 2 | |
| 11 | 522 74 13-02 | Starter Housing | 1 2 | |
| 12 | 523 08 32-03 | Label | XP | 1 |
| 12 | 523 08 32-04 | Label | XPG | 1 |
| 13 | 505 15 85-01 | Washer | 1 2 | |
| 14 | 522 74 25-07 | Starter Assy | 1 | |
| 15 | 522 74 13-04 | Starter Housing | 1 | |
| 16 | 503 20 52-16 | Screw IHSCT | 1 |















What is up with th choke lever not staying up when activated! I've even replaced new and doesn't stay up!
ReplyDelete